Endüstriyel dolap kapı kilididağıtım kabini, iletişim kabini, kontrol kutusu ve diğer ekipmanların dahili elektrik bileşenlerinin güvenliği ve sistemin kararlı çalışması ile doğrudan ilgili olan temel koruyucu bileşenidir.
Farklı projeler için teslimat süresi ve spesifikasyonların çeşitlendirilmiş gereksinimlerini karşılamak amacıyla firmamız her zaman stokta yaygın olarak kullanılan beş tip kilit bulundurmaktadır -Uzun Çubuk Kilidi, Panel Kilidi, Çubuk Kontrol Kilidi, Kol Kilidi,Döner Dil Kilidi. Aynı zamanda, her türlü metal dağıtım kutusu için mükemmel şekilde uygun olan, çizimlere veya numunelere göre özelleştirilmiş, standart dışı her türlü kilidi de destekliyoruz.
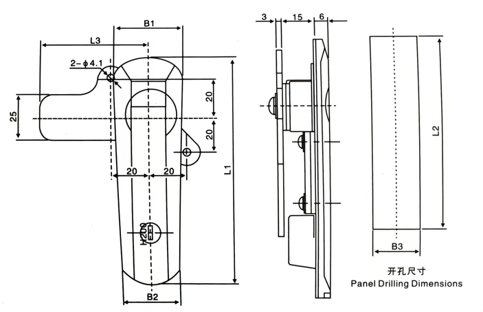
Düzlem kilit, hem güzel hem de bakımı kolay olan en yaygın endüstriyel dolap kapı kilitlerinden biridir. Şirketimiz, farklılaştırılmış tasarımın yapısal gücü, koruma performansı ve çalışma hissi ile AB301, AB302, AB303, AB402, AB403 serisi düzlem kilidini piyasaya sürdü; dağıtım kutusu, kontrol kabini kurulum gereksinimlerinin farklı özelliklerini karşılayabilir.
| Boyutlar | Ürün Numarası | |||||||
| L1 | L2 | L3 | B1 | B2 | Gri krom kaplama | Gri sprey boya | Siyah toz kaplı | Ağırlık(g) |
| 147 | 117 | 72 | 33 | 26.5 | AB301-1-1.2 | AB301-1-1.8 | AB301 | 370 |
| 120.5 | 95.5 | 65 | 30 | 23.5 | AB301-2-1.2 | AB301-2-1.8 | AB302 | 290 |
| 87.5 | 62.5 | 65 | 28.5 | 23.5 | AB301-3-1.2 | AB301-3-1.8 | AB303 | 215 |
Ana malzeme: çinko alaşımı.
Yüzey işleme: parlak krom, mat, siyah.
Fonksiyon ve kullanım: Sızdırmazlık ve su geçirmezlik fonksiyonu ile kullanımı kolay sol ve sağ kapı açılışını gerçekleştirin.
Ana malzeme: çinko alaşımı.
Yüzey işleme: parlak krom, mat, siyah.
Fonksiyon ve kullanım: Sızdırmazlık ve su geçirmezlik fonksiyonu ile kullanımı kolay sol ve sağ kapı açılışını gerçekleştirin.
Malzeme: çinko alaşımlı kilit gövdesi, döner mil, galvanizli çelik cıvata, baskı plakası.
Yüzey işleme: gümüş grisi nano sprey.
Yapı açıklaması: Açmak veya kilitlemek için 90 derece döndürün.
| MODELİ | L1 | L2 | L3 | B1 | B2 | B3 |
| YENİ AB402-A | 123 | 95.5 | 65 | 36.5 | 30 | 23.5 |
| YENİ AB403-A | 91 | 62.5 | 65 | 33 | 28.5 | 23.5 |
| YENİ AB401-A | 151 | 117 | 72 | 36 | 30 | 26.5 |
